{{ 'fb_in_app_browser_popup.desc' | translate }} {{ 'fb_in_app_browser_popup.copy_link' | translate }}
{{ 'in_app_browser_popup.desc' | translate }}
{{word('consent_desc')}} {{word('read_more')}}
{{setting.description}}
{{ childProduct.title_translations | translateModel }}
{{ getChildVariationShorthand(childProduct.child_variation) }}
{{ getSelectedItemDetail(selectedChildProduct, item).childProductName }} x {{ selectedChildProduct.quantity || 1 }}
{{ getSelectedItemDetail(selectedChildProduct, item).childVariationName }}
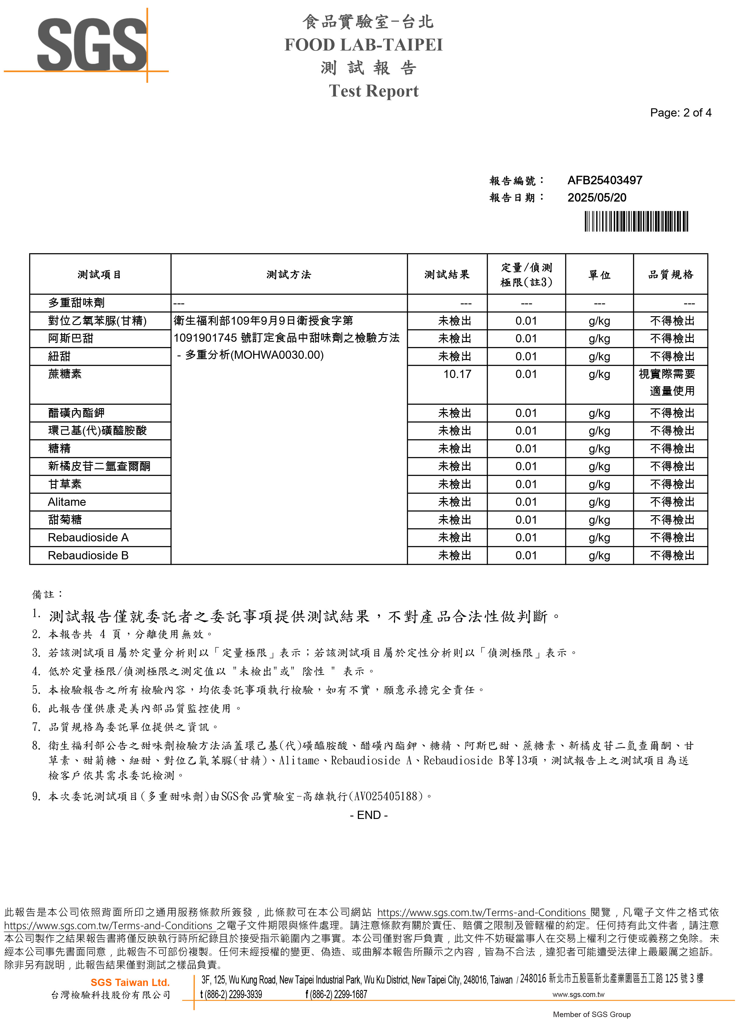
AtoZ成人綜合維他命+葉黃素發泡錠:SGS檢驗報告(2025年5月20日)
檢驗報告內容:多重甜味劑(13項) -對位乙氧苯(甘精)、阿斯巴甜、紐甜、蔗糖素、醋磺內酯鉀、環己基(代)磺醯胺酸、糖精、新橘皮昔二氫查爾酮、甘草素、Alitame、甜菊糖、Rebaudioside A、Rebaudioside B