{{ 'fb_in_app_browser_popup.desc' | translate }} {{ 'fb_in_app_browser_popup.copy_link' | translate }}

{{ 'in_app_browser_popup.desc' | translate }}

MENU CART {{currentCart.getItemCount()}}
The maximum number of items is 100, please adjust the quantity and purchase again

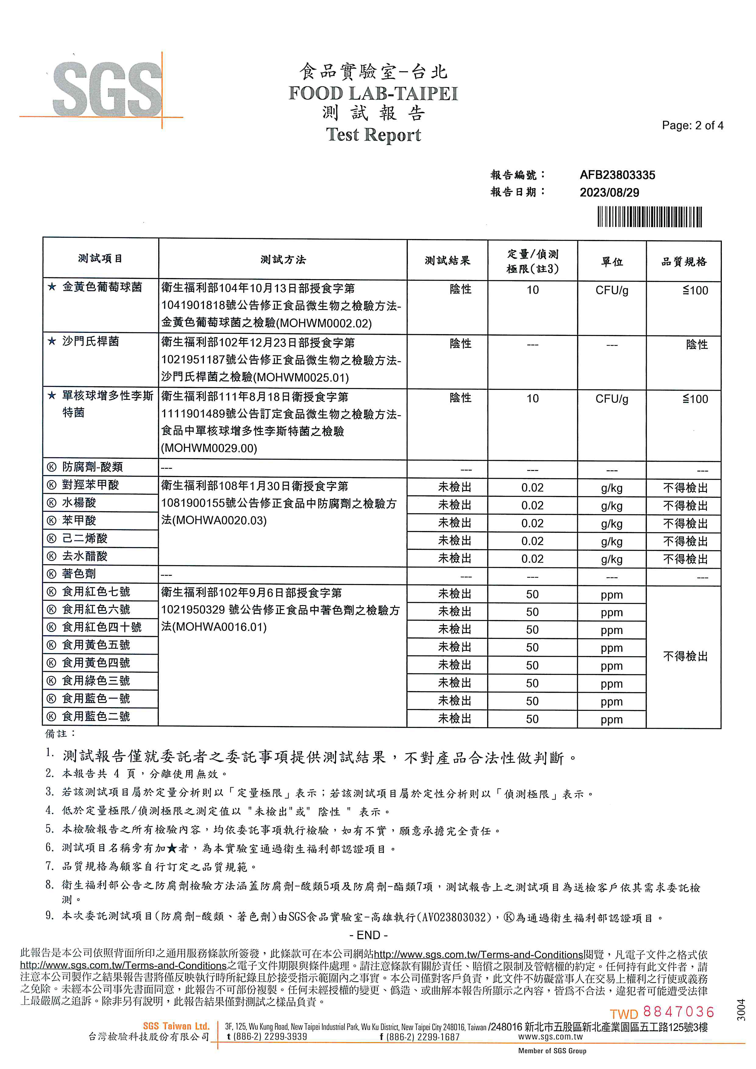
維他命C200口含錠:SGS食品檢驗報告(2023年08月29日)

檢驗報告內容:微生物檢測、酸類防腐劑、著色劑