{{ 'fb_in_app_browser_popup.desc' | translate }} {{ 'fb_in_app_browser_popup.copy_link' | translate }}

{{ 'in_app_browser_popup.desc' | translate }}

MENU CART {{currentCart.getItemCount()}}
The maximum number of items is 100, please adjust the quantity and purchase again

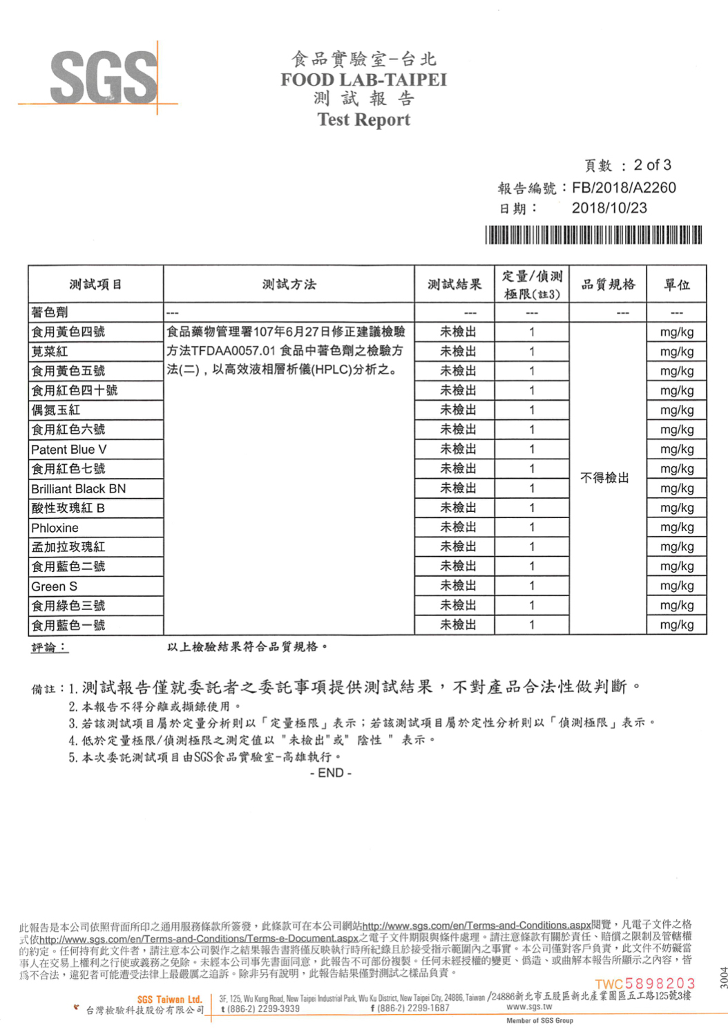
維他命小熊軟糖SGS檢驗報告(2018年10月23日)